77,22 zł Netto
Konwerter umożliwiający komunikację między komputerem a magistralą CAN 2.0A z prędkością transmisji od 5 kbps do 1 Mbps. Urządzenie oparte na mikrokontrolerze STM32 oferuje dwa tryby pracy: PCAN, kompatybilny z narzędziami diagnostycznymi, oraz Transparent Mode umożliwiający komunikację przez wirtualny port szeregowy. Adapter współpracuje z systemami Windows, Linux i Android oraz platformami embedded, takimi jak Raspberry Pi. Seeed Studio 100030768
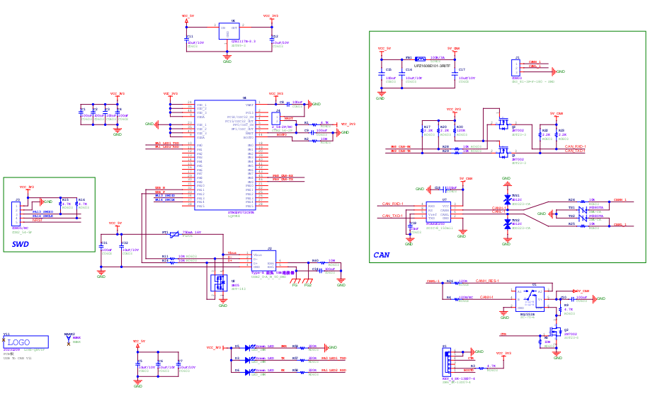
UTC-T01 Industrial USB-to-CAN Adapter to kompaktowe urządzenie umożliwiające komunikację między komputerem a magistralą CAN. Jest przeznaczone dla inżynierów systemów wbudowanych, programistów FPGA oraz specjalistów analizujących i diagnozujących sieci CAN. Dzięki mikrokontrolerowi STM32 zapewnia stabilną transmisję danych w zakresie od 5 kbps do 1 Mbps. Adapter obsługuje standard CAN 2.0A i współpracuje z wieloma systemami przemysłowymi, pojazdami oraz urządzeniami IoT.
Urządzenie oferuje dwa tryby pracy: PCAN oraz Transparent Mode. W trybie PCAN działa jak klasyczny adapter PCAN-USB i współpracuje z narzędziami diagnostycznymi, takimi jak PCAN-View czy TS-Master. Możliwe jest również wgrywanie firmware open-source, np. SLCAN lub Candlelight. Tryb Transparent Mode pozwala komunikować się z magistralą CAN przez wirtualny port szeregowy bez instalowania sterowników.
Adapter działa z systemami Windows, Linux i Android oraz z platformami embedded, np. Raspberry Pi. Przełącznik DIP umożliwia konfigurację terminacji 120 Ω, rezystancji 0 Ω i trybu BOOT do aktualizacji firmware. Diody LED sygnalizują zasilanie i aktywność transmisji. Urządzenie obsługuje także funkcje takie jak transmisja cykliczna, wysyłanie wieloramkowe i filtrowanie identyfikatorów CAN, co ułatwia testowanie i debugowanie systemów.
Producent BTC Korporacja sp. z o. o. Lwowska 5 05-120 Legionowo Polska sprzedaz@kamami.pl 22 767 36 20
Osoba odpowiedzialna BTC Korporacja sp. z o. o. Lwowska 5 05-120 Legionowo Polska sprzedaz@kamami.pl 22 767 36 20
Przewód z wtykiem i gniazdem USB 3.0 typ. A, długość przewodu 1,8 m. LANBERG CA-US3E-10CC-0018-B
Wysokiej jakości przedłużacz kabla USB 2.0 koloru czarnego. Lanberg CA-USBE-10CC-0018-BK
Przewód z wtykiem i gniazdem USB 2.0 typ. A, długość 0,5 m. Wyposażony w przełącznik
Brak towaru
Zestaw niezbędnych narzędzi do przeprowadzenia diagnostyki pojazdu. Składa się z modułu magistrali CAN Bus, złącza OBD II oraz niezbędnych przewodów. Seeed Studio 114991438
KAmodRPI RS485 CAN HAT to nakładka dla komputera Raspberry Pi rozszerzająca jego interfejsy o RS485 oraz CAN. Sygnały magistral wyprowadzone są na złącza goldpin oraz szybkozłącza.
Konwerter TTL/CAN-USB dedykowany do czujników odległości TF03, TF02 i TFmini z interfejsem TTL/CAN. W zestawie z przewodem miniUSB. Benewake TTL/CAN to USB converter
Brak towaru
Konwerter I2C-CAN z układami MCP2551 oraz MCP2515 i mikrokontrolerem ATmega168PA. Moduł wykorzystuje do komunikacji magistralę I2C i złącze Grove. Seeed Studio 113020111
Adapter USB-CAN ze wsparciem dla standardów CAN2.0A i CAN2.0B. Może współpracować z systemami Windows oraz Linux, w tym z minikomputerami Raspberry Pi i Jetson Nano. Waveshare USB-CAN-A
Moduł z transceiverem CAN oparty na układzie TJA1051T/3. Pozwala podłączyć płytkę z natywnym wsparciem CAN (transceiver zamieni sygnały 3V na różnicowe sygnały CAN) do sieci urządzeń. Adafruit 5708
Moduł rozszerzeń przeznaczony dla Raspberry Pi lub BIGTREETECH CB1. Pozwala dodać interfejs CAN i wykorzystać minikomputery do sterowania w aplikacjach przemysłowych lub automotive. BIGTREETECH IO2CAN V1.0
Moduł komunikacyjny z konwerterem CAN-UART i interfejsem USB 1.0. Obsługuje protokół CAN 2.0 i wspiera SLCAN. Jest obsługiwany za pomocą poleceń AT. DFRobot TEL0150
Konwerter z wbudowanym mikrokontrolerem (MCU) oraz układem transceivera CAN. Może współpracować z urządzeniami o napięciu pracy 3,3 V poprzez złącza goldpin o rastrze 2,54 mm. Konwerter ułatwia projektowanie i prototypowanie urządzeń opartych na magistrali CAN. Waveshare WS-TTL-CAN
Brak towaru
KAmod CAN-TXRX to transceiver magistrali CAN z układem MCP2542FD, kompatybilny z standardami CAN 2.0 i CAN FD, umożliwiający wysyłanie oraz odczytywanie danych z poziomem napięcia interfejsu szeregowego regulowanym w zakresie 1,7...5 V, wyposażony w zabezpieczenia oraz diody LED sygnalizujące działanie
Moduł oparty na mikrokontrolerze GD32E103, obsługujący CAN FD z prędkością do 5 Mb/s, co czyni go idealnym do zastosowań w motoryzacji i automatyzacji. Dzięki obsłudze komend AT, złączu Grove i kompatybilności z płytkami XIAO RP2040, moduł oferuje łatwą integrację w projektach IoT, takich jak monitorowanie czy automatyka. Seeed Studio 114992978
CANable V2.0 PRO to adapter USB-C na CAN z izolacją galwaniczną. Obsługuje CAN 2.0 i CAN FD, zapewniając niezawodną komunikację i szeroką kompatybilność. MKS CANable v2.0 PRO
Brak towaru
Płytka rozszerzeń dla XIAO, umożliwiająca łatwą komunikację w standardzie CAN Bus dzięki integracji układów MCP2515 i SN65HVD230. Idealna do zastosowań w pojazdach, systemach sterowania przemysłowego i robotyce, zapewnia niezawodną wymianę danych oraz prostą integrację z ekosystemem XIAO. Seeed Studio 105100001
Moduł interfejsu CAN KAmod z układem SN65HVD230 umożliwia bezpośrednią komunikację z magistralą CAN w systemach zasilanych napięciem 3,3 V. Kompatybilny z układami PCA82C250, wyposażony w zabezpieczenia ESD i funkcje eliminujące zakłócenia, sprawdzi się w projektach przemysłowych, motoryzacyjnych i IoT.
Konwerter umożliwiający komunikację między komputerem a magistralą CAN 2.0A z prędkością transmisji od 5 kbps do 1 Mbps. Urządzenie oparte na mikrokontrolerze STM32 oferuje dwa tryby pracy: PCAN, kompatybilny z narzędziami diagnostycznymi, oraz Transparent Mode umożliwiający komunikację przez wirtualny port szeregowy. Adapter współpracuje z systemami Windows, Linux i Android oraz platformami embedded, takimi jak Raspberry Pi. Seeed Studio 100030768
Brak towaru
Konwerter umożliwiający łatwe połączenie komputera z urządzeniami wykorzystującymi magistralę CAN poprzez USB-C. Wyposażony w mikrokontroler GD32 oraz układ WCH CH340 zapewnia stabilną komunikację z prędkością do 921600 bps. Adapter obsługuje tryb plug-and-play oraz pozwala na sterowanie urządzeniami, diagnostykę i aktualizację firmware OTA przy użyciu dedykowanego oprogramowania. Seeed Studio 100012096
Brak towaru
Konwerter umożliwiający komunikację między komputerem a magistralą CAN 2.0A z prędkością transmisji od 5 kbps do 1 Mbps. Urządzenie oparte na mikrokontrolerze STM32 oferuje dwa tryby pracy: PCAN, kompatybilny z narzędziami diagnostycznymi, oraz Transparent Mode umożliwiający komunikację przez wirtualny port szeregowy. Adapter współpracuje z systemami Windows, Linux i Android oraz platformami embedded, takimi jak Raspberry Pi. Seeed Studio 100030768