28,50 zł Netto
Moduł umożliwiający dodanie wejścia i wyjścia MIDI do płytki Feather, wykorzystując złącza DIN-5 oraz wbudowany optoizolator 3V zapewniający bezpieczną komunikację na logice 3.3V. Moduł oferuje także diody LED sygnalizujące transmisję danych oraz opcjonalne miejsca na gniazda MIDI TRS 3.5 mm w standardzie TRS MIDI A. Komunikuje się przez sprzętowy UART ustawiony na 31250 baud, dzięki czemu łatwo integruje się z instrumentami i kontrolerami MIDI Adafruit 4740
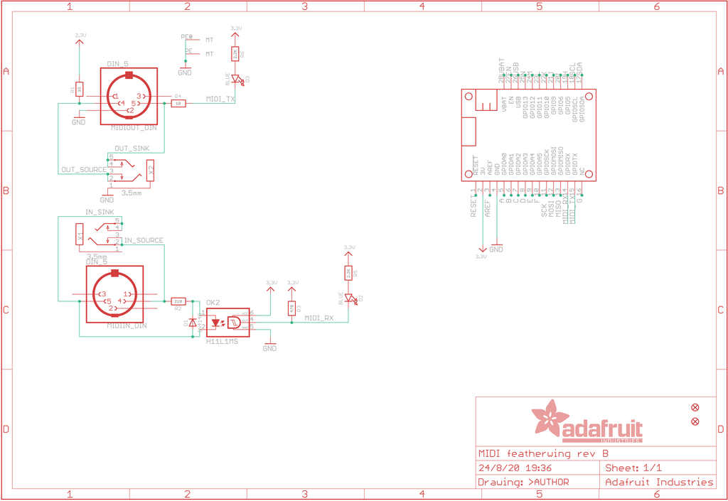
MIDI FeatherWing Kit to moduł, który pozwala przekształcić płytkę Feather w pełnoprawny interfejs muzyczny, dodając obsługę wejścia oraz wyjścia MIDI. Moduł wyposażony jest w złącza DIN-5 MIDI IN i MIDI OUT, a także w optoizolator 3V, który umożliwia bezpieczną komunikację MIDI z mikrokontrolerami zasilanymi i pracującymi na logice 3.3V. Dodatkowo pod gniazdami umieszczono diody LED sygnalizujące transmisję danych — jedna dla nadawania, druga dla odbioru. FeatherWing oferuje również miejsca do opcjonalnego montażu gniazd MIDI 3.5 mm w standardzie TRS MIDI A, co pozwala na integrację z nowoczesnym sprzętem muzycznym.
Komunikacja odbywa się z wykorzystaniem sprzętowych linii UART (RX/TX), ustawionych na prędkość 31250 baud zgodnie ze standardem MIDI. Dzięki temu MIDI OUT jest sterowane przez pin TX, a MIDI IN trafia na pin RX. Moduł działa ze wszystkimi płytkami Feather wyposażonymi w natywną obsługę USB. Nie jest kompatybilny z płytkami, które używają sprzętowego UART do programowania — dotyczy to Feather ESP8266 Huzzah, Feather 328p oraz Feather nRF52. Zestaw dostarczany jest jako kit — płytka PCB zawiera już wszystkie elementy SMD, a użytkownik musi jedynie przylutować złącza goldpin oraz dwa złącza DIN-5. To idealny moduł dla projektów muzycznych, syntezatorów DIY oraz integracji Featherów z instrumentami i kontrolerami MIDI.
Producent BTC Korporacja sp. z o. o. Lwowska 5 05-120 Legionowo Polska sprzedaz@kamami.pl 22 767 36 20
Osoba odpowiedzialna BTC Korporacja sp. z o. o. Lwowska 5 05-120 Legionowo Polska sprzedaz@kamami.pl 22 767 36 20
Płytka z mikrokontrolerem RP2040 wyposażonym w dwa rdzenie ARM Cortex-M0+, które pracują z częstotliwością 133 MHz, 264 kB RAM. Na płytce znajduje się również 8 MB pamięci QSPI flash. Układ może być programowany w C/C++ lub MicroPython. Adafruit 4884
Płytka z mikrokontrolerem RP2040 oraz modułem radiowym pracującym w paśmie częstotliwości 868 MHz. Ma wbudowany obwód ładowania LiPo oraz złącze STEMMA QT. Adafruit 5712
Nowoczesna płytka rozwojowa w formacie Feather, wyposażona w dwurdzeniowy mikrokontroler Raspberry Pi RP2350 Cortex M33 o taktowaniu 150 MHz i 8 MB pamięci PSRAM, idealna do zaawansowanych projektów IoT i aplikacji Micropython/CircuitPython. Płytka oferuje szeroki zestaw portów, w tym złącze HSTX 22-pin, USB-C z bootloaderem oraz STEMMA QT, a także liczne GPIO i zintegrowany układ ładowania baterii LiPo, łącząc wysoką wydajność z wygodą użytkowania. Adafruit 6130
Moduł z 9-osiowym układem IMU LSM9DS1 dedykowany do płytki ESP Thing. Wyposażony w złącze do podłączenia GPS oraz gniazdo microSD. SparkFun DEV-14430
Wyświetlacz OLED o przekątnej 1,3" i rozdzielczości 128x64 pikseli. Przeznaczony do użycia z płytkami z serii Feather. Adafruit 4650
Moduł rozszerzeń (shield) przeznaczony dla płytek Feather nRF52840. Umożliwia łatwe podłączenie wyświetlaczy matrycowych 16x32, 32x32 oraz 64x32. Wymaga samodzielnego montażu. Adafruit 4702
Rejestrator danych dedykowany do płytek Thing Plus. Pozwala na zapisywanie danych na karcie microSD z możliwością odczytu przez port USB. Obsługuje karty o pojemności do 32 GB. SparkFun DEV-19217
Moduł z kontrolerem CAN dla płytek Feather. Wyposażony jest w kontroler CAN MCP2515 oraz transceiver TJA1051 i pozwala na przesyłanie danych z prędkością do 1Mb/s. Adafruit 5709
Moduł z 3-osiowym akcelerometrem ADXL343 oraz precyzyjnym czujnikiem temperatury ADT7410 dedykowany do płytek z serii Feather. Wyposażony w złącze STEMMA QT, komunikuje się przez interfejs I2C. Adafruit 4147
Kompaktowa obudowa dla Adafruit Feather RP2040 z wyjściem DVI została wydrukowana w technologii SLA z półprzezroczystego tworzywa, zapewniając ochronę i widoczność wskaźników LED. Umożliwia łatwy dostęp do wszystkich portów i przycisków, a dzięki zatrzaskowej konstrukcji nie wymaga użycia śrub ani kleju. Adafruit 6241
Moduł rozszerzeń stworzony z myślą o projektach świetlno-dźwiękowych, cosplayowych i interaktywnych rekwizytach. Oferuje gotowy port NeoPixel z konwerterem poziomów, sterowniki 3W RGB LED oraz wzmacniacz audio klasy D do obsługi głośników 8 Ω lub 4 Ω. Wbudowany akcelerometr LIS3DH umożliwia wykrywanie ruchu, uderzeń i pochylenia, co idealnie sprawdza się w dynamicznych efektach. Moduł współpracuje z wieloma płytkami Feather i pozwala szybko tworzyć zaawansowane projekty w kompaktowym formacie. Adafruit 3988
Kompaktowa płytka rozwojowa umożliwiająca bezpośrednie podłączenie 24-pinowych wyświetlaczy e-paper, idealna do energooszczędnych projektów wizualnych. Wyposażona w mikrokontroler RP2040 133 MHz, 264 KB SRAM oraz 8 MB Flash oferuje płynne buforowanie obrazu i obsługę wielu peryferiów. Ma dedykowany interfejs SPI dla wyświetlacza, złącze STEMMA QT, ładowarkę Li-Po, USB-C oraz szeroki zestaw GPIO z PWM, ADC i komunikacją I2C, SPI i UART. Adafruit 5727
Moduł rozszerzeń dla płytek Feather, wyposażony w monochromatyczny wyświetlacz OLED 128x64 o przekątnej 1,3 cala oraz trzy przyciski użytkownika. Płytka jest w pełni zmontowana i komunikuje się za pomocą magistrali I2C, co pozwala na łatwe podłączenie innych urządzeń STEMMA QT. Wyświetlacz SH1107 zapewnia wysoki kontrast przy niskim poborze energii, a wbudowany przycisk resetu umożliwia szybki restart systemu. Adafruit 6313
Moduł typu FeatherWing rozszerzający płytki Feather o funkcję USB Host poprzez złącze USB-A, oparty na układzie MAX3421E, z komunikacją SPI i wbudowaną przetwornicą 5V 1A do zasilania urządzeń USB. Adafruit 5858
Moduł rozszerzeń stworzony z myślą o projektach świetlno-dźwiękowych, cosplayowych i interaktywnych rekwizytach. Oferuje gotowy port NeoPixel z konwerterem poziomów, sterowniki 3W RGB LED oraz wzmacniacz audio klasy D do obsługi głośników 8 Ω lub 4 Ω. Wbudowany akcelerometr LIS3DH umożliwia wykrywanie ruchu, uderzeń i pochylenia, co idealnie sprawdza się w dynamicznych efektach. Moduł współpracuje z wieloma płytkami Feather i pozwala szybko tworzyć zaawansowane projekty w kompaktowym formacie. Adafruit 4145
Moduł umożliwiający dodanie szybkiej łączności WiFi do projektów opartych na platformie Feather, wykorzystujący układ ESP32 jako koprocesor sieciowy. Dzięki obsłudze protokołów TLS/SSL oraz komunikacji przez szybkie SPI 8 MHz zapewnia stabilne i bezpieczne połączenia internetowe bez obciążania głównego mikrokontrolera. Moduł współpracuje z układami 3.3 V i 5 V, a wbudowany stabilizator oraz bufor MISO ułatwiają integrację z innymi FeatherWingami. Adafruit 4264
Moduł umożliwiający dodanie wejścia i wyjścia MIDI do płytki Feather, wykorzystując złącza DIN-5 oraz wbudowany optoizolator 3V zapewniający bezpieczną komunikację na logice 3.3V. Moduł oferuje także diody LED sygnalizujące transmisję danych oraz opcjonalne miejsca na gniazda MIDI TRS 3.5 mm w standardzie TRS MIDI A. Komunikuje się przez sprzętowy UART ustawiony na 31250 baud, dzięki czemu łatwo integruje się z instrumentami i kontrolerami MIDI Adafruit 4740
Rozszerzenie prototypowe dla płytek Feather, umożliwiające jednoczesne podłączenie do trzech dodatkowych FeatherWingów bez użycia złączy piętrowych. Płytka oferuje trzy wyprowadzenia dla każdego pinu Feather, wspólne linie zasilania 3.3V i GND oraz przestrzeń prototypową z siatką otworów do dodawania własnych komponentów. Jest kompatybilna ze wszystkimi płytkami Feather i idealnie sprawdza się w prototypowaniu oraz rozbudowie projektów. Adafruit 4254
Uniwersalne rozszerzenie dla płytek Adafruit Feather, umożliwiające szybkie podłączanie modułów Grove i akcesoriów Stemma QT bez lutowania. Moduł oferuje trzy złącza Grove A/D, jedno UART oraz dwa I2C, dzięki czemu łatwo rozszerzysz projekt o różnorodne czujniki i interfejsy. Dodatkowy port Stemma QT pozwala na dalszą rozbudowę urządzeń I2C. Adafruit 5862
Moduł umożliwiający dodanie wejścia i wyjścia MIDI do płytki Feather, wykorzystując złącza DIN-5 oraz wbudowany optoizolator 3V zapewniający bezpieczną komunikację na logice 3.3V. Moduł oferuje także diody LED sygnalizujące transmisję danych oraz opcjonalne miejsca na gniazda MIDI TRS 3.5 mm w standardzie TRS MIDI A. Komunikuje się przez sprzętowy UART ustawiony na 31250 baud, dzięki czemu łatwo integruje się z instrumentami i kontrolerami MIDI Adafruit 4740