zł134.15 tax excl.
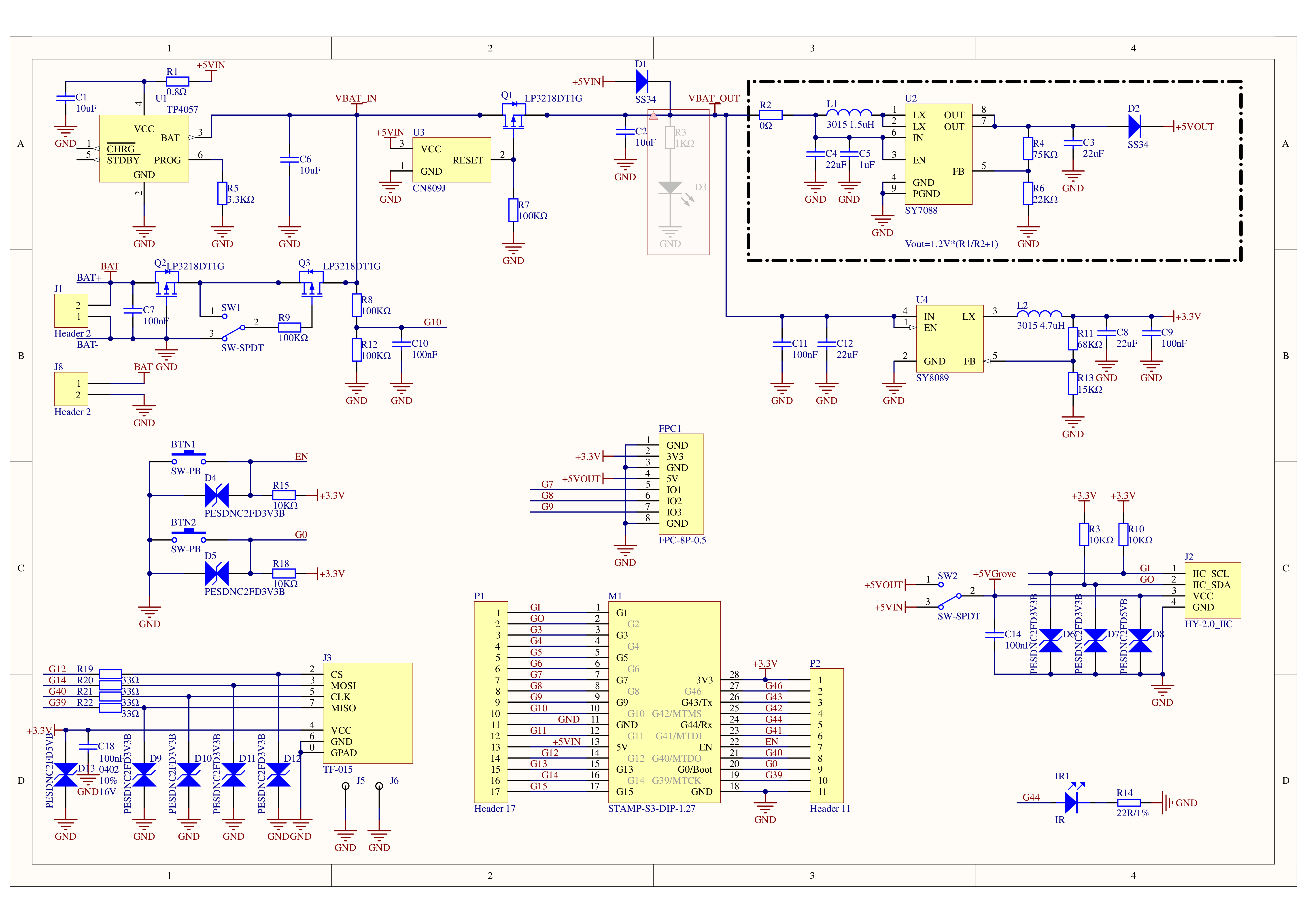
A compact development platform based on the dual-core ESP32-S3 processor, designed for prototyping embedded systems and IoT projects. The device features a 1.14-inch LCD display, a 56-key keyboard, and extensive audio features with a microphone, speaker, and headphone jack. A built-in accelerometer, IR emitter, microSD slot, and Grove connectors enable easy expansion and integration with sensors. Powered by a 1750 mAh Li-ion battery, it offers portability and long battery life. M5Stack K132-Adv
M5Stack Cardputer Adv Version (ESP32-S3) is a compact, pocket-sized development platform designed for modern embedded systems prototyping and IoT projects. The device is based on the high-performance Stamp-S3A module with an ESP32-S3 processor, offering a dual-core architecture and high computing power. The integrated 1.14-inch LCD display provides a clear data preview, while the 56-key keyboard enables convenient command input and interaction without the need for additional accessories.

Cardputer-Adv stands out with its advanced audio capabilities thanks to the use of an ES8311 audio codec, a high-SNR MEMS microphone, and an amplifier with a 1 W speaker. The presence of a 3.5 mm headphone jack allows easy connection of external audio devices. The built-in BMI270 accelerometer enables the creation of applications that respond to movement and orientation. An infrared transmitter extends control and communication capabilities with other devices. The platform offers a microSD slot for memory expansion, as well as Grove connectors and pin headers for connecting sensors and modules. Power is supplied by a 1750 mAh Li-ion battery, ensuring long operating time. The magnetic back cover and LEGO-compatible mounting holes make installation in a variety of projects easy. Cardputer-Adv is ideal for automation, smart home systems, education, and creating custom, non-standard solutions.
Manufacturer BTC Korporacja sp. z o. o. Lwowska 5 05-120 Legionowo Poland sprzedaz@kamami.pl 22 767 36 20
Responsible person BTC Korporacja sp. z o. o. Lwowska 5 05-120 Legionowo Poland sprzedaz@kamami.pl 22 767 36 20
3-port Hub with Grove connectors for M5Stack sets. It allows you to connect several devices with Grove connectors to the evaluation kit. M5Stack HUB Unit
5-port Hub with Grove connectors for M5Stack sets. It allows you to connect several devices with Grove connectors to the evaluation kit. M5Stack Grove-T
4-core cable, 50 cm long, terminated on both sides with a Grove plug. Compatible with the interface used in the M5Stack modules. M5Stack A034-C
4-core cable, 20 cm long, terminated on both sides with a Grove plug. Compatible with the interface used in the M5Stack modules. M5Stack A034-B
A development board that uses the ESP32-C3 chip based on the RISC-V architecture. It has built-in 400 KB of SRAM and 4 MB of Flash memory and a clock frequency of 160 MHz. Pro Micro offers a Qwiic connector that allows you to connect any sensor that communicates via the I2C bus. SparkFun DEV-23484
The ESP32-S3-BOX-3 is a development kit based on the ESP32-S3 SoC, ideal for creating AIoT, Edge AI, and IIoT applications. The ESP32-S3-WROOM-1 module supports WiFi 802.11 b/g/n (2.4 GHz) and Bluetooth 5.0, features 36 configurable GPIO pins, and includes a PCB antenna. It operates within a temperature range of -40 to +85°C with a supply voltage of 3.0 - 3.6V. The kit supports software solutions like ESP-BOX, ESP-SR, ESP-RainMaker, and ESP-Matter, facilitating the development of advanced IoT systems. ESP32-S3-BOX-3
Development board with Espressif ESP32-S3R8 WiFi and Bluetooth LE module equipped with a dual-core Xtensa 32-bit LX7 processor. It offers 16 MB Flash memory and 8 MB PSRAM. The pins available on the board are compatible with Arduino Nano ESP32. Waveshare ESP32-S3-Nano-M
Development board with Espressif ESP32-S3R8 WiFi and Bluetooth LE module equipped with a dual-core Xtensa 32-bit LX7 processor. It offers 16 MB Flash memory and 8 MB PSRAM. The pins available on the board are compatible with Arduino Nano ESP32. Waveshare ESP32-S3-Nano
Advanced module with a 32-bit, single-core RISC-V processor. It has a built-in Bluetooth LE 5 and IEEE 802.15.4 (Thread, Zigbee 3.0) module. Perfect solution for IoT (Internet of Things) projects. Version with soldered connectors. Waveshare ESP32-H2-DEV-KIT-N4-M
Advanced module with a 32-bit, single-core RISC-V processor. It has a built-in Bluetooth LE 5 and IEEE 802.15.4 (Thread, Zigbee 3.0) module. Perfect solution for IoT (Internet of Things) projects. Version with connectors for selfassembly. Waveshare ESP32-H2-DEV-KIT-N4
No product available!
The ESP32-C6 is a versatile microcontroller with support for WiFi 6 and Bluetooth 5, designed for a wide range of applications in smart homes, industry, and consumer electronics. With support for multiple interfaces and development environments, this board offers the flexibility and performance needed to execute advanced projects. Compatibility with Raspberry Pi Pico HAT extensions further enhances its capabilities, making it an ideal choice for developers and engineers. Waveshare 26845
The ESP32-C6 is a versatile microcontroller with support for WiFi 6 and Bluetooth 5, designed for a wide range of applications in smart homes, industry, and consumer electronics. With support for multiple interfaces and development environments, this board offers the flexibility and performance needed to execute advanced projects. Compatibility with Raspberry Pi Pico HAT extensions further enhances its capabilities, making it an ideal choice for developers and engineers. Waveshare 26866
The ESP32-S3 A7670E 4G development board combines the ESP32-S3R2 microcontroller with the A7670E module, offering global LTE Cat-1, 2G, Wi-Fi, Bluetooth, and GNSS connectivity for advanced IoT applications. With support for lithium batteries and solar panels, as well as a built-in OV2640 camera, the board is ideal for remote monitoring projects, smart homes, and low-power applications.. Waveshare ESP32-S3-A7670E-4G-EN
No product available!
The ESP32-S3 SIM7670G 4G development board combines the ESP32-S3R2 microcontroller with the SIM7670G module, offering global LTE Cat-1, Wi-Fi, Bluetooth, and GNSS connectivity for advanced IoT applications. With support for lithium batteries and solar panels, as well as a built-in OV2640 camera, the board is ideal for remote monitoring projects, smart homes, and low-power applications.. Waveshare ESP32-S3-SIM7670G-4G-EN
No product available!
A development board featuring the ESP32-C6 WROOM-1-N16 module from Espressif. It features a single-core RISC-V processor and a wide range of connectivity options, including 2.4 GHz WiFi 6, Bluetooth 5.3, Zigbee, and Thread (802.15.4). The module is Feather-compatible and provides 23 GPIO pins on 2.54 mm pitch connectors. SparkFun DEV-22924
A shield designed to collect data from the MyoWare 2.0 Muscle Sensor and transmit it wirelessly using the ESP32-WROOM module. Equipped with a built-in 40 mAh LiPo battery. SparkFun DEV-23387
No product available!
Espressif ESP32-C6 WiFi module board with RISC-V core. It offers 4 MB Flash memory and 512 kB SRAM and RGB diode. It has a built-in ceramic WiFi/BLE antenna. Version with soldered connectors. Waveshare ESP32-C6-Zero-M
No product available!
Espressif ESP32-C6 WiFi module board with RISC-V core. It offers 4 MB Flash and 512 KB SRAM and RGB diode. It has a built-in ceramic WiFi/BLE antenna. Waveshare ESP32-C6-Zero
No product available!
ESP32 module board equipped with a 1.28-inch round display with touch panel. It offers Wi-Fi and Bluetooth 5.0 communication, has a built-in 6-axis QMI8658 IMU sensor and supports lithium battery charging. Ideal for developing IoT projects, mobile devices and wearable electronics. Version with metal housing. Waveshare ESP32-S3-Touch-LCD-1.28-B
No product available!
ESP32 module board equipped with a 1.28-inch round display. It offers Wi-Fi and Bluetooth 5.0 communication, has a built-in 6-axis QMI8658 IMU sensor and supports lithium battery charging. Ideal for developing IoT projects, mobile devices and wearable electronics. Version with a metal housing. Waveshare ESP32-S3-LCD-1.28-B
A compact development platform based on the dual-core ESP32-S3 processor, designed for prototyping embedded systems and IoT projects. The device features a 1.14-inch LCD display, a 56-key keyboard, and extensive audio features with a microphone, speaker, and headphone jack. A built-in accelerometer, IR emitter, microSD slot, and Grove connectors enable easy expansion and integration with sensors. Powered by a 1750 mAh Li-ion battery, it offers portability and long battery life. M5Stack K132-Adv